(New) 964/993/GT2/GT3 Short Stud for Engine Block - 1989-2005

Product Description:

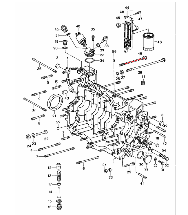
New genuine Porsche short studs for the engine blocks in 964 C2, C4, 993, GT2 and GT3 models.

Also known as engine case screw / screws.

High-lighted in red in the PET diagram pictured.

Fits:

964 C2/C4, 1989-94

993, 1994-98

911 GT3, 2003-05

911 Turbo/GT2, 2001-05

Product Number:

964 101 174 00

964-101-174-00

964.101.174.00

96410117400


Next Previous