(New) 964/993/GT3/GT2/GT2RS Long Stud for Engine Block - 1989-2013

Product Description:

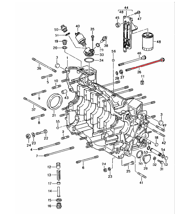
New genuine Porsche long studs for the engine blocks in 964 C2, C4, 993, GT3, GT2 and GT2RS models.

Also known as engine case screw / screws.

High-lighted in red in the PET diagram pictured.

Fits:

964 C2/C4, 1989-94

993, 1994-98

911 GT3, 2003-11

911 T/GT2RS 2nd generation, 2010-13

911 Turbo/GT2, 2001-09

Product Number:      

959 101 173 01   

959-101-173-01   

959.101.173.01

95910117301

Supersedes to:

959 101 173 02

959-101-173-02

959.101.173.02

95910117303


Next Previous