(New) 911 Clutch Pedal Bearing Tube - 1965-77

Product Description:

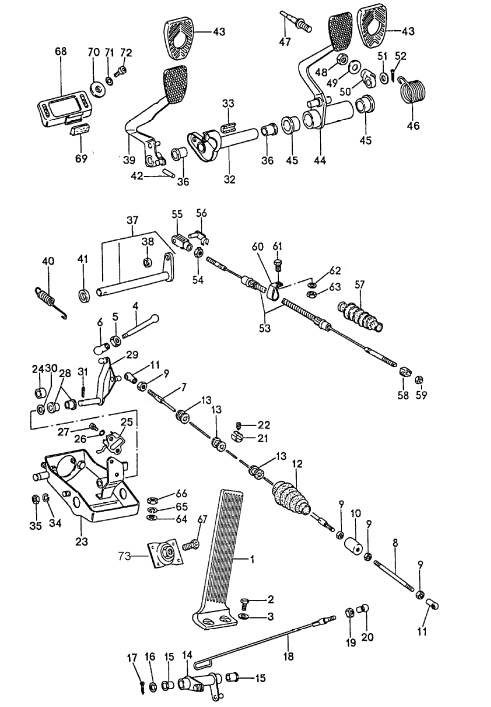
New genuine Porsche clutch pedal bearing tube.

#32 in diagram.

Fits:

911, 1965-77

Product Number:

901 423 035 00

901.423.035.00

901-423-035-00

90142303500