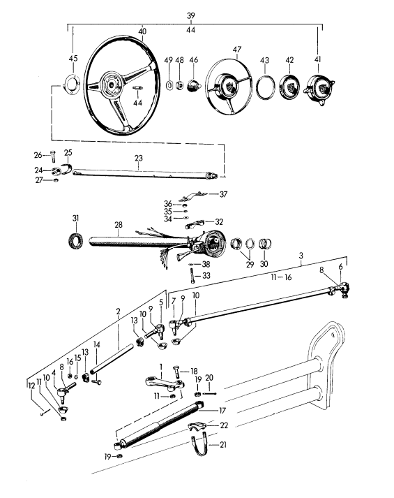
(New) 356 Left Tie Rod Assembly-Short Side - 1950-65

Product Description:

New genuine Porsche complete left tie rod assembly.

Short side.

#2 in diagram

This item is special order non returnable

Fits:

356, 1950-65

Product Number:

64434731101

644 347 311 01

644-347-311-01

644.347.311.01