Product Description:
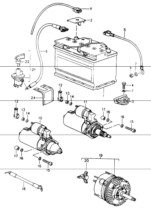
Used 911 starter
not for Triptronic
12V tested plunge and spin good
see charts for proper fitment
#11 in diagram
Fits:
911/964, M64 .01/03 1990-94
911/993, M64 .05/07, .60, .20, .21/23 1995-98
Product Number:
964 604 104 00
964-604-104-00
964.604.104.00
96460410400