(New) 911 Clutch Release Fork

Product Description:

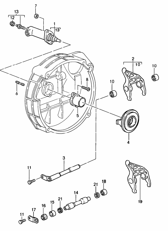
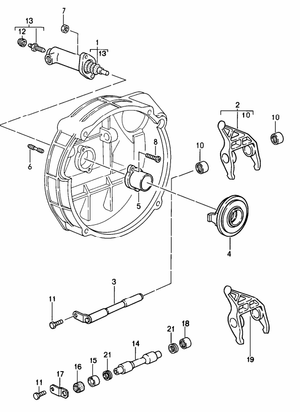
Improved G50 clutch release fork

#2 in diagram

Replaces 950 116 086 06 

OEM

Fits:

911 Carrera/Turbo (1987-89) Hydraulic G50 Trans

911/964 C2/C4/Turbo (1989-94)

996 GT3 (2004-05)

Product Number:

997 116 086 90

997.116.086.90

99711608690

Next Previous