(New) 356B/C Reverse Lever Eccentric Bolt 1960-65

Product Description:

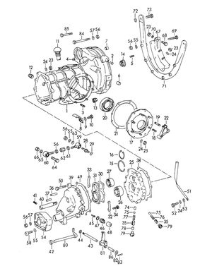
New genuine Porsche reverse lever eccentric bolt 

#43 in diagram

Fits:

356B/C, 1960-65

Product Number:

695 301 307 00

695.301.307.00

69530130700

 


Next Previous