(New) 911 Chain Tensioner Right - 1989-98

Product Description:

New genuine Porsche chain tensioner right.

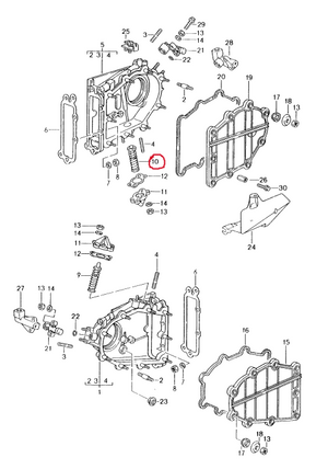
#10 in diagram.

Fits:

911 Carrera 2, 1990-98

911 Carrera 4, 1989-98

911 RS, 1992, (95-96)

911 Turbo, 1991-98

Product Number:

964 105 080 00

964.105.080.00

964-105-080-00

96410508000


Next Previous