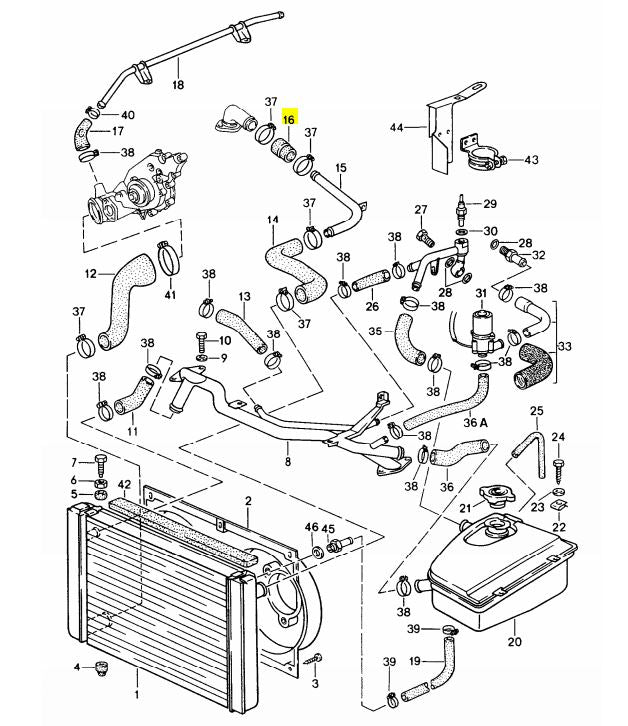
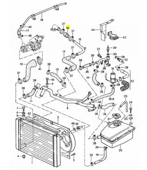
(New) 944 Coolant Reduction Hose - 1985-91

Product Description:

Coolant reduction hose for 944 turbo models.

Number 16 in diagram below.

Fits:

944, 1985-91

Product Number:

951-106-239-01

951.106.239.01

951 106 239 01

951-106-239-01


Next Previous